消費性電子設備:單臺模塊電源相較于多臺單輸出電源的優勢
文 : Fred He /MWUSA 工程部
fred.he@meanwellusa.com
消費性電子設備在我們的日常生活中無處不在,即使一般人也可以安全地進行操作,例如工廠中的3D打印機、實驗室中的質譜分析儀或醫院中的移動推車等等。這些電子設備通常由各種電子組件組成在一起,例如一臺3D打印機,是由打印用的電動馬達、顯示和功能控制用的LCD屏幕、控制打印機頭和加熱組件用的傳感器等組成。這些不同的組件需要不同的直流電壓進行驅動,這些不同的電壓通常需要多個交流轉直流電源供應器來提供,進而導致設備不能滿足安全法規規定的漏電流(500μ~750μA)要求,因為整個設備的漏電流是所有交流轉直流電源供應器的總漏電流。由于操作人員往往是沒有專業電氣知識的普通人,因此安全法規制定了嚴格的漏電流標準,以保障操作人員的安全。為了滿足低漏電流的要求,單臺多輸出交流轉直流電源供應器被廣泛使用,因為它僅由一個前端輸入和多個輸出模塊組成,這些輸出模塊可靈活搭配,以滿足電子設備外圍組件不同的的電壓和功率要求。
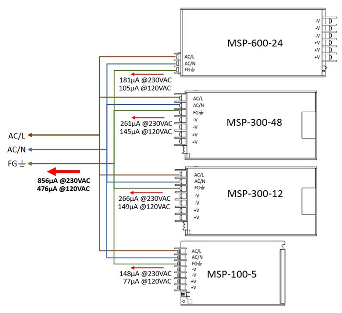
圖1顯示了明緯單臺模塊電源產品 NMP1K2-HHEKC#-01的漏電流測試結果,該機型由24V,12V,48V和5V四個輸出模塊組成。圖2顯示了使用四臺單輸出電源時的總漏電流,四臺機型分別為MSP-600-24、MSP-300-12、MSP-300-48與MSP-100-5。
據測試結果顯示,NMP1K2-HHEKC#-01在230Vac時的漏電流為234μA,遠低于四臺MSP電源856μA的總漏電流。因此,NMP1K2-HHEKC#-01的漏電流可以滿足消費性電子設備的500μA~750μA的漏電流要求。

圖1:120Vac輸入時的漏電流138μA,230Vac輸入時的漏電流234μA

圖2:120Vac輸入時的總漏電電流476μA,230Vac輸入時的總漏電流856μA
除了解決漏電流的問題,單臺模塊電源還可以節省空間,使電氣設備的設計尺寸更小。此外,與使用多臺單輸出電源相比,使用單臺模塊電源也簡化了交流輸入端的布線,從而減少了設備中的電磁干擾(EMI)并降低了使用EMI抑制配件的需求。而使用多臺單輸出電源通常需要額外的EMI抑制配件來改善設備的EMI。
明緯的NMP系列是一款1U高度的智能模塊電源,具有高性能,高可靠性的優點。它不僅具有多個獨立的可配置輸出模塊,對地漏電流小于400μA,而且還分別通過了ITE工業領域和醫療安全法規62368-1和60601-1的認證。相對于多臺單輸出電源的組合,這些優點都使NMP系列更適合應用于消費性電子產品以及其他醫療設備。
