高壓輸出大功率電源供應器應用
文: 吳振源 /工程部
willard@meanwell.com
早期電源供應器應用通常為ATX電源供應器的3.3V/5V/12V、筆電的19V~24V或工控的12V/24V/48V等符合SELV的低輸出電壓機型。但隨著科技日新月異,高壓輸出的應用越來越廣泛,例如UV固化設備、雷射相關機器等等。
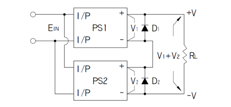
在沒有高輸出電壓機型之前,大多藉由圖一串接的方式來達到。除了需外加逆向二極管,以防止啟動時造成電源內部損壞,成本亦有所增加之外,對于單機而言,搭配性與高損壞率的風險也提高。CSP-3000高壓設計輸出系列則能夠避免上述缺點。
![]() |
| 圖一 輸出加并二極管之串聯接法 |
CSP-3000是一款3kW單組輸出機殼型AC/DC電源供應器。其輸入電壓范圍為180~264VAC,并提供業內最需要的直流高輸出電壓機型。此系列是藉由內建風扇散熱,具有風扇轉速控制的功能,工作溫度最高可達70℃(請參考規格書降載曲線)。另外CSP-3000還內建了多種功能,如PV/PC、并聯、遙控開關控制與輔助電源等,可以提高客戶在設計上的靈活性。
首先若將此系列應用于LED模塊的驅動上,建議盡可能操作在圖二~圖四 V-I曲線的藍色斜線區,這樣才能讓整體的性能達到最好的狀態。
其輸出電壓電流的數值可藉由PV/PC功能來設定。此系列的PV/PC功能只能擇一使用,其選擇方式是藉由CN1的 PIN5/PIN6 開路或短路來決定;若是短路,則是選擇PV模式,可以調整輸出電壓;若是開路,則是選擇PC模式,可以調整輸出電流。
![]() |
|
| 圖二 CSP-3000-120 | 圖三 CSP-3000-250 |
![]() |
|
| 圖四 CSP-3000-400 | |
![]() |
|
| 圖五 PV/PC模式設定與功能腳位機構圖 | |
![]() |
|
| 圖六 Vo-Vs曲線圖 | 圖七 Io-Vs曲線圖 |
![]() |
|
| 圖八 Vo/Io-Vs曲線圖 | |
在PV模式下,有三種可以調整Vo的方式,第一種方式是藉由SVR2調整,其調整范圍為額定電壓的20~100%。第二種方式是在CN2的PIN7/PIN8之間外加一直流電壓訊號Vs,其調整范圍為額定電壓的20~100%,請參考圖六所示;若Vs<2V,則Vo≧額定電壓的10%。第三種方式是在CN2的PIN5/PIN6之間外加一直流電壓訊號Vs,其調整范圍為額定電壓的8~100%,請參考圖八所示,范圍較寬,且響應速度較快。
在PC模式下,SVR2是用來設定最大恒流點Imax。有兩種可以調整Io的方式,第一種方式是在CN2的PIN7/PIN8之間外加一直流電壓訊號Vs,其調整范圍為Imax的20~100%,請參考圖七所示。第二種方式是在CN2的PIN5/PIN6之間外加一直流電壓訊號Vs,其調整范圍為Imax的8~100%,請參考圖八所示,其范圍較寬廣,且響應速度較快速。
實機操作可以參考以下影片。

.png)




